|
Kondenzátorový tranzistorový mikrofon MV 201 výroce R-F-T - DDR se vyráběl pravděpodobně v sedmdesátých až osmdesátých letech minulého století. Byl určen pro přesná elektroakustická měření. Mikrofon je pevně propojen kabelem s předzesilovačem, který tvoří připojovací konektor. Na těle mikrofonu je pevně osazen držák se závitem 1/4´ pro mikrofonní stativ. Velmi malý průměr těla mikrofonu přispívá k dokonalé kulové snímací charakteristice. Tělo mikrofonu i předzesilovače je celokovové. Mikrofon má zabudované vyhřívání - temperování.

Preciznost provedení mikrofonu potvrzuje jeho účel použití pro měřící účely.
TECHNICKÁ DATA:
| Váha mikrofonu vč. držáku: |
75 g |
| Váha předzesilovače: |
90 g |
| Rozměry mikrofonu: |
ø 13,5 x 113 mm |
| Rozměry předzesilovače: |
ø 20 x 96 mm |
| Délka kabelu: |
196 cm |
| Směrová charakteristika: |
kulová |
| Korpus: | kovový |
MIKROFON MV 201:

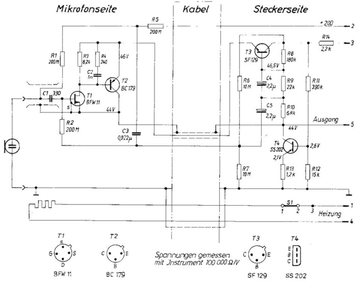
Rozpis součástek RFT MV 201
MIKROFONNÍ VLOŽKA MK 221:

Firemní dokumentace MK 221 současného výrobce MICROTECH GEFELL
Stránka s technickými údaji současného výrobce MICROTECH GEFELL
PŘEDZESILOVAČ MV 201:

1+4 - vyhřívání mikrofonu
5 - signálový výstup z předzesilovače
3 - kladné napájeni předzesilovače +80-90V
2 - kladné polarizačni napěti vložky +200V
Vyobrazený vzorek je kompletně funkční.

Pro provoz mikrofonu bez měřícího přístroje si můžete sestrojit Napájecí zdroj pro měřící kondenzátorové mikrofony R-F-T.
|