Typy a principy mikrofonů popisuje spousta publikací. Nemyslím, že bych tímto příspěvkem přinesl něco nového. Spíše bych zde chtěl seřadit a popsat mikrofony dle jejich elektromechanického principu a vnitřní konstrukce.
Mikrofony jako prvek sloužící ke snímání primárního akustického signálu rozhodují svými vlastnostmi o kvalitě přenášeného či zaznamenávaného akustického signálu. Mikrofon jako elektroakustický převodník přeměňuje akustickou energii, která na něj dopadá, na energii elektrickou.
UHLÍKOVÝ MIKROFON
Uhlíkový mikrofon vynalezl Thomas Alva Edison. Objevil, že uhlíková zrnka, stlačená mezi kovové desky mají elektrický odpor nepřímo úměrný tlaku. Pokud na jednu z desek působí zvukové vlnění, mění se patřičně i proud, protékající zrnky mezi deskami. Kvalita přeneseného zvuku je dostačující pro hovor a hlavně takový mikrofon funguje jako elektromechanický zesilovač (energie proudových změn může být podstatně větší, než energie dopadajících zvukových vln).
 Uhlíkový mikrofon byl zřejmě první prakticky použitelný mikrofon. Mezi dvěma elektrodami, z nichž jedna je pevná a druhá pohyblivá (spojená s membránou), je umístěn uhlový prach, jehož odpor se mění se změnou tlaku. Jde tedy o měnič výchylkový. Konstrukce podle obrázku a) je běžná u mikrofonů používaných v telefonii, uspořádání podle b) bylo běžné u Reissova mikrofonu, používaného v začátcích rozhlasu.
Tento typ mikrofonů je ještě stále rozšířen v telefonii. Kónická membrána zhotovená z hliníkové fólie je ve svém středu opatřena pozlacenou elektrodou, která zasahuje do prachové komůrky. Mikrofon se dodnes vyrábí v podobě těchto mikrofonních vložek pro telefonní přístroje. Má poměrně omezený kmitočtový rozsah (200 - 3400Hz). Jeho výroba je však velmi jednoduchá a levná.
Nevýhoda tohoto mikrofonu, kromě omezeného kmitočtového rozsahu, je vysoká náchylnost na otřesy, kdy přesýpání uhlíkových zrnek vyvolává značný hluk.. Proto některé typy byly velmi robusní, hmotné a usazené na pružinách.
Uhlíkové mikrofony Mikrofonní vložky pro telefony
ELEKTRODYNAMICKÝ (DYNAMICKÝ) MIKROFON CÍVKOVÝ
Principem je cívka pohybující se v magnetickém poli permanentního magnetu. Cívka je spojena s membránou, která ji mechanicky rozkmitává. Magnetický obvod je řešen podobně jako u reproduktorů.. Cívka se u levných mikrofonů vine na papírovou kostru, u jakostních mikrofonů bývá cívka samonosná, a to vinutá buď z měděného, anebo hliníkového drátu, popř. fólie vinuté na výšku. Také se používají eloxované hliníkové fólie vinuté naplocho.
 V magnetovém systému se volí velmi malá vzduchová mezera. Cívka je přitmelena k membráně z dostatečně tuhého materiálu, na kterém nesmějí vznikat parazitní nežádoucí druhy kmitů. Přitom ovšem vzhledem k citlivosti a hornímu meznímu kmitočtu musí mít celý kmitací systém minimální hmotnost.
Pokud má mít takový elektrodynamický měnič požadované vyhovující vlastnosti je výrobně velmi složitý. Musí být velmi přesně dodržena tuhost, hmotnost a poddajnost membrány.

Aby se zmenšila citlivost tohoto druhu mikrofonu na cizí magnetická pole, opatřuje se u některých výrobků celý systém pomocným vinutím upraveným na vnější straně magnetického obvodu. Vinutí je zapojeno s kmitací cívkou do série s takovou polaritou, aby se napětí indukovanév obou cívkách navzájem rušila.
Mikrofon v tomto provedení má omezený kmitočtový rozsah a směrová charakteristika je v oblasti nízkých kmitočtů kulová. Pro kmitočty, při kterých nastává deformace akustického pole tělesem mikrofonu (délka vlny srovnatelná s rozměra mikrofonu), přechází charakteristika na směrovou.
Pro rozšíření kmitočtové charakteristiky a pro její změnu na směrovou se používají různé pomocné akustické obvody:

Dynamické mikrofony Československé výroby
ELEKTRODYNAMICKÝ MIKROFON PÁSKOVÝ
Je to nejednodušší typ elektrodynamického mikrofonu, u něhož elektromechanický měnič tvoří zvlněný hliníkový pásek umídtěný v magnetickém poli. Předností tohoto druhu měniče je jeho jednoduchost z hlediska montážního i výrobního a vynikající vlasnosti z hlediska elektrického.
Vzhledem k tomu, že impedance pásku je velmi malá (0,2 až 0,3 Ω), je v tělese mikrofohu zabudován přizpůsobovací transformátor.
Páskový mikrofon Československé výroby
V základním provedení se jedná o měnič rychlostní s osmičkovou snímací charakteristikou. Pro úpravu kmitočtové charakteristiky se na zadní strana systému uzavře dlouhým utlumeným zvukovodem (labyrintem) - tlakový mikrofon s kulovou charakteristikou, nebo se uzavře zvukovodem část zadní strany - mikrofon s kardioidní charakteristikou, případně se zvukovod opatří otevíratelnou clonou - mikrofon s proměnlivou snímací charakteristikou.

Páskový mikrofon RCA77DX Slavný páskový mikrofon s proměnlivou směrovou charakteristikou
Jiný typ páskového mikrofonu:
Pásek je umístěn v tělese mikrofonu. Při provozu je mikrofon umístěn tak, že jeho osa je svislá - tvoří tak pokračování stojanu. Před páskem, k jehož zadní straně je připojen tlumený zvukovod, je umístěn otevřený zvukovod rozšiřující se směrem ke svému volnému konci až na průměr 1,6cm. Vhodný tvar zvukovodu ovlivní příznivě kmitočtovou charakteristiku při kulové směrové charakteristice.

S novými materiály permanentních magnetů a pásků z pokovené plastové fólie se dnes znovu začínají vyrábět moderní páskové mikrofony zajímavých vlastností.
Páskový mikrofon sE ELECTRONICS R1 Ribbon Jeden z novodobých výrobků v recenzi časopisu MUSIC STORE.
Oprava páskového mikrofonu Výroba a výměna pásku v domácích podmínkách.
VLNOVÝ MIKROFON
Nejjednodušší směrový vlnový mikrofon se skládá z parabolického zrcadla a v ohnisku umístěným tlakovým mikrofonem. Parabolické zrcadlo však musí mít rozměry vlny nejnižšího snímaného kmitočtu. Praktičtější provedení se svazkem různě dlouhých trubek navrhl Masson. Plocha trubek odpovídá ploše membrány tlakového měniče. Takový mikrofon se nazývá linkový. Pro další zjednodušení lze použít jediný jediný cylindrický zvukovod s podélnou štěrbinou zakrytou vhodným akustickým odporem. Moderní mikrofony tohoto principu mají místo jedné štěrbiny otvory zakryté akustickými odpory, jejichž hodnota roste směrem k měniči navazujícímu na zvukovod. Otvory jsou po celé délce zvukovodu rozděleny rovnoměrně.

Vlnový - linkový mikrofon je poměrně speciální typ mikrofonu s velmi úzkou směrovou snímací charakteristikou.
Vlnový - linkový mikrofon Československé výroby
KRYSTALOVÝ - PIEZOELEKTRICKÝ MIKROFON
U tohoto druhu měničů se využívá piezoelektrického jevu, při němž deformací výbrusu krystalu Seignettovy soli, vzniká na jeho polepech elektrický náboj. Provedení může být buď bezmembránové, kdy zvuk působí přímo na výbrus krystalu, nebo membránový, kdy kmitání membrány je přenášeno mechanicky na výbrus krystalu.

Krystalové mikrofony se nejvíce vyráběly v padesátých letech minulého století. Výroba je levná a jednoduchá. Pro svoji nízkou kvalitu byly později nahrazovány jinými typy. Dnes se piezoelektrické výbrusy používají na některé typy kontaktních snímačů např. akustických hudebních nástrojů.
Krystalové mikrofony Československé výroby
Piezo snímač Kontaktní snímač akustických hudebních nástrojů
Zajímavá varianta piezo mikrofonu, který nepoužívá keramický výbrus, ale piezoelektricky aktivní polymer ve formě tenké fólie, po obou stranách metalizované, která je přetažená přes kruhovou podložku z pěnového polyuretanu, jež spočívá na základní desce.druhá strana základní desky je uzavřena pouzdrem o dostatečně velké dutině.
ELEKTROMAGNETICKÝ MIKROFON
U tohoto druhu měničů se využívá změny magnetického toku protékajícího kotvou, který indukuje napětí v pevné cívce obklopující kotvu. Jde o rychlostní snímač.
Elektromagnetický mikrofon Československé výroby
Tento mikrofon mívá většinou malé rozměry a hmotnost při poměrně dobré citlivosti. Jeho kmitočtový rozsah je však velmi omezený a proto se využívá především pro dorozumívací účely.
ELEKTROSTATICKÝ KONDENZÁTOROVÝ MIKROFON
Tento měnič běžné konstrukce obsahuje pevnou elektrodu (obvykle perforovanou), před níž je umístěna pohyblivá elektroda, která tvoří membránu. Mezi elektrodami je stejnosměrné polarizační napětí. Pohybem membrány se měmí kapacita mezi elektrodami. Těchto měničů se používá zejména u mikrofonů měřících a u mikrofonů určených pro věrný přenos akustických signálů.

Signál z mikrofonu je zesílen předzesilovačem s vysokým vtupním odporem, který je většinou součástí korpusu mikrofonu. Zvláštní skupinou v předzesilovačích tvoří vysokofrekvenční RF (radio frequency) předzesilovače, kdy místo stejnosměrného polarizačního napětí je použit vysokofrekvenční oscilátor.
Kondenzátorový mikrofon pro svoji funkci potřebuje poměrně vysoké polarizační napětí, což v praxi představuje většinou externí napaječ, který toto napětí poskytne a také zajistí napájení mikrofonního předzesilovače. Napaječ může mít různá zapojení:
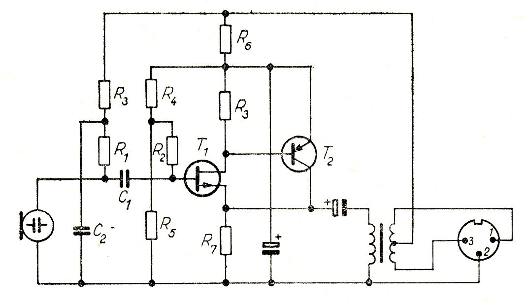
Mikrofon s proměnnou směrovou charakteristikou schéma
Předzesilovač elektronkový klasický schéma
Předzesilovač elektronkový katodový schéma
Předzesilovač elektronkový minimalisovaný schéma
Předzesilovač elektronkový dvoustupňový schéma
Předzesilovač elektronkový RF schéma
Předzesilovač tranzistorový RF schéma
Předzesilovač s FET schéma
Předzesilovač AKG C452CB schéma
Předzesilovač AKG C505C schéma
Moderní kondenzátorové mikrofony jsou většinou napájeny fantomovým způsobem. Potřebné polarizační napětí je pak realizováno interním měničem.
Tlakové mikrofony s elektrostatickým měničem se vyznačují plynulou kmitočtovou charakteristikou bez prudkých zlomů a náhodného zvlnění. Pokud je mikrofon tohoto druhu pečlivě zhotoven, vyniká stabilitou, takže ho lze použít i pro měřící účely.
Elektrostatický mikrofon Neumann
ELEKTRETOVÝ MIKROFON
Elektretový mikrofon je typ kondenzátorového mikrofonu, kdy polarizace není realizována externím polarizačním napětím, ale je tvořena elektretem - nevodivou hmotou která zůstává permanentně elektricky nabitá z níž je vyrobena membrána. Přímo v mikrofonní kapsli je umístěn předzesilovač s vysokým vstupním odporem FET, který vyžaduje napájení řádově voltů.
Nevýhodou elektretového mikrofonu je velká hmotnost membrány nesoucí elektretový náboj. Proto byl vyvinut tzv. back-elektretový typ mikrofonu, kdy elektretový náboj je součástí pevné elektrody.
Tento typ mikrofonů se již kvalitou přibližuje kondenzátorovým mikrofonům při nízkých výrobních nákladech.
Back-elektretový mikrofon

Použitá literatura:
[1] ZVUKOVÁ TECHNIKA Ing. Dr Jiří Trůneček SNTL 1958
[2] MIKROFONY A PŘENOSKY Inž. dr. Aleš Boleslav, SNTL 1962
[3] GRAMOFONY A MIKROFONY Jiří Brda, SNTL 1969
[4] ZVUKAŘ AMATÉR Karel Kubát, SNTL 1977
[5] PRAKTICKÁ ELEKTROAKUSTIKA Ing. Ctirad Smetana CSc. a kolektiv, SNTL 1981
[6] ELEKTROAKUSTIKA DO KAPSY Ing. Jiří Svoboda - Ing. Jiří Brda, SNTL 1981
[7] PRAXE ZVUKOVÉ TECHNIKY Václav Vlachý, Muzikus 2008
Principy mikrofonů Wikipedie
|